சாத்தியமான மின்மாற்றி PT
25 Kv கருவி மின்காந்த Pt சாத்தியமான மின்மாற்றி
  • 25 Kv கருவி மின்காந்த Pt சாத்தியமான மின்மாற்றி25 Kv கருவி மின்காந்த Pt சாத்தியமான மின்மாற்றி

25 Kv கருவி மின்காந்த Pt சாத்தியமான மின்மாற்றி

Wenzhou XiFa Electric Power Equipment Co., Ltd ஆனது epoxy resin பொடியன்ட் டிரான்ஸ்பார்மர்கள் மற்றும் 25 kv இன்ஸ்ட்ரூமென்ட் எலக்ட்ரோமேக்னடிக் pt திறன் டிரான்ஸ்பார்மர் போன்ற தற்போதைய மின்மாற்றிகளை தயாரிக்க 10 ஆண்டுகளுக்கும் மேலாக உள்ளது. 25kv சாத்தியமுள்ள மின்மாற்றி என்பது வட அமெரிக்கா மற்றும் சில அமெரிக்க நாடுகள் போன்ற குறிப்பிட்ட பிராந்திய கிரிட் மின்னழுத்தங்களுக்கானது. இது 25kv கருவி மின்காந்த pt சாத்தியமான மின்மாற்றி என்று பெயரிடப்பட்டிருந்தாலும், ஏற்றுக்கொள்ளப்பட்ட தரநிலை 24kv ஆகும். Wenzhou XiFa Electric Power Equipment Co., Ltd ஆனது 25 kv இன்ஸ்ட்ரூமென்ட் மின்காந்த pt திறன் டிரான்ஸ்பார்மரை அடைய துல்லியம், காப்பு மற்றும் இயந்திர வலிமை ஆகியவற்றில் பல்வேறு முதிர்ந்த வடிவமைப்பு தீர்வுகளைக் கொண்டுள்ளது.

வாங்கிய பின் குறிப்புகள் aசாத்தியமான மின்மாற்றி:

1.செயல்படுத்துவதற்கு முன், ஒரு 25 kv கருவி மின்காந்த pt சாத்தியமான மின்மாற்றி தொடர்புடைய தரநிலைகள் மற்றும் நடைமுறைகள் மூலம் தேவைப்படும் அனைத்து சோதனைகள் மற்றும் ஆய்வுகளை மேற்கொள்ள வேண்டும். இவை பொதுவாக ஏசி மின்கடத்தா சோதனை, காப்பு எதிர்ப்பு சோதனை, விகித சோதனை மற்றும் காட்சி ஆய்வு ஆகியவை அடங்கும்.

2.25 kv கருவி மின்காந்த pt சாத்தியமான மின்மாற்றியின் சரியான வயரிங் அவசியம். முதன்மை முறுக்கு அளவிடப்பட்ட சுற்றுடன் இணையாக இணைக்கப்பட வேண்டும், அதே நேரத்தில் இரண்டாம் நிலை முறுக்கு அளவிடும் கருவிகள், பாதுகாப்பு ரிலேக்கள் அல்லது தானியங்கி சாதனங்களின் மின்னழுத்த சுருள்களுடன் இணையாக இணைக்கப்பட வேண்டும். இதற்கிடையில், சரியான துருவமுனைப்பை பராமரிப்பதில் கவனம் செலுத்தப்பட வேண்டும்.

3.25 kv திறன் மின்மாற்றி இரண்டாம் நிலை இணைக்கப்பட்ட சுமை அதன் மதிப்பிடப்பட்ட கொள்ளளவிற்குள் இருக்க வேண்டும். மதிப்பிடப்பட்ட இரண்டாம் நிலை சுமையை மீறுவது, அதிகரித்த அளவீட்டு பிழைகளை உருவாக்கலாம், மேலும் வாசிப்புகளின் துல்லியத்தையும் பாதிக்கலாம்.

4. 25 kv திறன் கொண்ட மின்மாற்றியின் இரண்டாம் நிலை ஷார்ட் சர்க்யூட் கண்டிப்பாக தடைசெய்யப்பட்டுள்ளது. PT மிகக் குறைந்த உள் மின்மறுப்பைக் கொண்டிருப்பதால், இரண்டாம் நிலை ஷார்ட் சர்க்யூட் மிக அதிக மின்னோட்டங்களை உருவாக்கி, இரண்டாம் நிலை உபகரணங்களை சேதப்படுத்தும் மற்றும் தீவிரமான பாதுகாப்பு ஆபத்தை ஏற்படுத்தும். அத்தகைய சேதத்தைத் தடுக்க, பி.டி இரண்டாம்நிலையில் உருகிகளை நிறுவ வேண்டியது அவசியம். இது சாத்தியமானால், முதன்மை முறுக்கு அல்லது லீட்களில் பிழைகள் ஏற்பட்டால் உயர் மின்னழுத்த நெட்வொர்க்கைப் பாதுகாக்க முதன்மை பக்க உருகிகளும் பயன்படுத்தப்பட வேண்டும்.

5.அளக்கும் கருவிகள் அல்லது ரிலேக்களை கையாளும் பணியாளர்களின் பாதுகாப்பிற்காக, PT இரண்டாம் நிலை முறுக்கு ஒரு கட்டத்தில் தரையிறக்கப்பட வேண்டும். தரையிறக்கத்திற்குப் பிறகு முதன்மை மற்றும் இரண்டாம் நிலை முறுக்குகளுக்கு இடையில் காப்பு சேதமடையும் போது கருவிகள் மற்றும் ரிலேக்களில் தோன்றும் உயர் மின்னழுத்தத்திலிருந்து தனிப்பட்ட பாதுகாப்பைத் தடுக்கலாம்.

6.எந்தச் சூழ்நிலையிலும் பி.டி. இரண்டாம் நிலை மின்சுற்று ஷார்ட் சர்க்யூட்டாக இருக்கக்கூடாது.

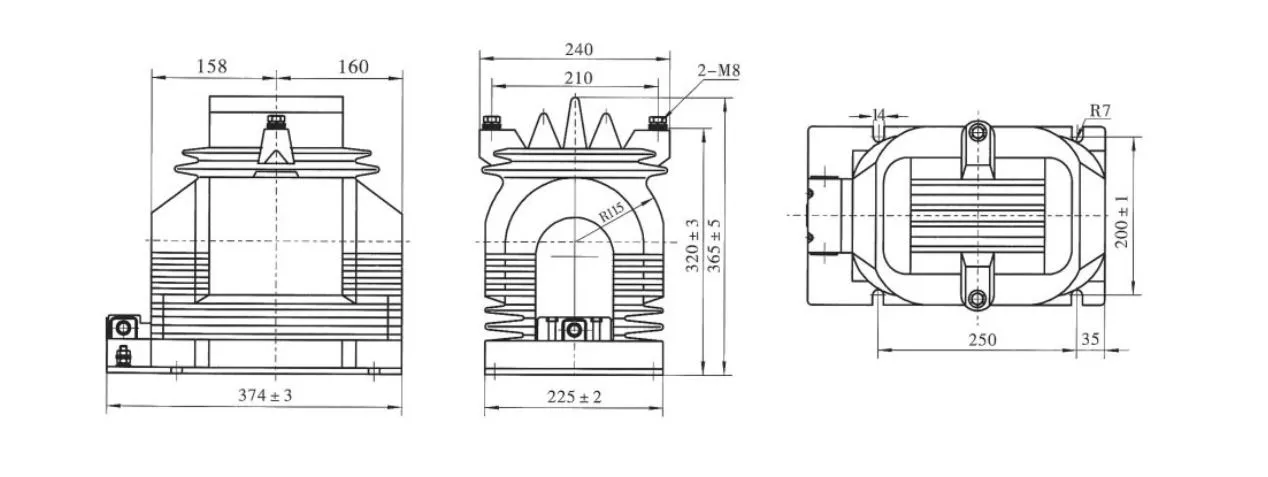
25 Kv Instrument Electromagnetic Pt Potential Transformer

தொழில்நுட்ப விவரக்குறிப்பு:

வகை மதிப்பிடப்பட்ட மின்னழுத்த விகிதம் (kV) துல்லிய வகுப்பு துல்லியம் வகுப்பு மற்றும் மதிப்பிடப்பட்ட வெளியீடு cosΦ=0.8 தி மேக்ஸ். வெளியீடு (VA)
0.2 0.5 3(பி)
JDZ11-15 15/0.1 0.2 0.5 1 30 80 150 600
JDZ11-20 20/0.1
JDZ11-15 15/0.1/0.1 0.2/0.2 0.2/0.5 0.5/0.5 20 30 N/A 2*300
JDZ11-20 20/0.1/0.1
JDZ11-15 15/0.1/0.22 0.2/3P 0.5/3P 30 60 100 500
JDZ11-20 20/0.1/0.22

25 Kv Instrument Electromagnetic Pt Potential Transformer

தயாரிப்பு FAQ:

கே: 25 kV கருவி மின்காந்தத்திற்கான நிலையான இரண்டாம் நிலை மின்னழுத்த மதிப்பீடு என்னpt சாத்தியமான மின்மாற்றி?

A: 25 kV கருவி மின்காந்த pt திறன் மின்மாற்றிக்கான நிலையான இரண்டாம் நிலை மின்னழுத்தம் பொதுவாக 110 V ஆகும். இந்த தரநிலையானது, துல்லியமான மின்னழுத்த அளவீடு மற்றும் மின் சக்தி அமைப்பினுள் பாதுகாப்பான செயல்பாட்டை அனுமதிக்க, அளவீடு மற்றும் பாதுகாப்பு உபகரணங்களுடன் இணக்கத்தை உறுதி செய்கிறது.


கே: 25 kV கருவி மின்காந்த pt சாத்தியமான மின்மாற்றி அதன் மதிப்பிடப்பட்ட மின்னழுத்தத்தில் 115% இல் தொடர்ந்து செயல்பட முடியுமா?

A: ஆம், 25 kV திறன் கொண்ட மின்மாற்றியானது அதன் மதிப்பிடப்பட்ட மின்னழுத்தத்தின் 115% இல் தொடர்ந்து இயங்க முடியும், இரண்டாம் நிலை சுமை மின்மாற்றியின் வெப்ப மதிப்பீட்டை மீறாத வரை. இந்த திறன் PT களின் ஒருமைப்பாட்டை பாதிக்காமல் தற்காலிக ஓவர் வோல்டேஜ் நிலைமைகளை அனுமதிக்கிறது.


கே: 25 kV கருவி மின்காந்த pt சாத்தியமான மின்மாற்றிக்கான வழக்கமான காப்பு வகுப்பு என்ன?

A: 25 kV திறன் கொண்ட மின்மாற்றி பொதுவாக 25 kV வரை மின்னழுத்தத்தைத் தாங்கும் ஒரு காப்பு வகுப்பைக் கொண்டுள்ளது. காப்பு அமைப்பு சாதாரண மற்றும் தவறான நிலைமைகளின் போது எதிர்கொள்ளும் மின் அழுத்தங்களைக் கையாள வடிவமைக்கப்பட்டுள்ளது, நம்பகமான செயல்பாடு மற்றும் பாதுகாப்பை உறுதி செய்கிறது.





சூடான குறிச்சொற்கள்: 25 Kv கருவி மின்காந்த Pt சாத்தியமான மின்மாற்றி உற்பத்தியாளர், மின்காந்த PT சாத்தியமான மின்மாற்றி சப்ளையர், கருவி PT சாத்தியமான மின்மாற்றி மொத்த விற்பனை
விசாரணையை அனுப்பு
தொடர்பு தகவல்
  • முகவரி

    எண். 391, ஜிங்கி சாலை, யான்பான் தொழில்துறை மண்டலம், யூகிங் நகரம், ஜெஜியாங் மாகாணம், சீனா

  • டெல்

    +86-577-62731111

  • மின்னஞ்சல்

    info@xifaele.com

உங்கள் மேற்கோளை விரைவில் பெற

XiFa-உங்கள் நம்பகமான மின் உபகரணங்கள் சப்ளையர்
செய்தி பரிந்துரைகள்
X
உங்களுக்கு சிறந்த உலாவல் அனுபவத்தை வழங்கவும், தள போக்குவரத்தை பகுப்பாய்வு செய்யவும் மற்றும் உள்ளடக்கத்தைத் தனிப்பயனாக்கவும் நாங்கள் குக்கீகளைப் பயன்படுத்துகிறோம். இந்தத் தளத்தைப் பயன்படுத்துவதன் மூலம், எங்கள் குக்கீகளைப் பயன்படுத்துவதை ஒப்புக்கொள்கிறீர்கள். தனியுரிமைக் கொள்கை
நிராகரிக்கவும் ஏற்றுக்கொள்