சாத்தியமான மின்மாற்றி PT
துணை மின்நிலையத்தில் 13.8 Kv ஒற்றை நிலை சாத்தியமான மின்மாற்றி
  • துணை மின்நிலையத்தில் 13.8 Kv ஒற்றை நிலை சாத்தியமான மின்மாற்றிதுணை மின்நிலையத்தில் 13.8 Kv ஒற்றை நிலை சாத்தியமான மின்மாற்றி

துணை மின்நிலையத்தில் 13.8 Kv ஒற்றை நிலை சாத்தியமான மின்மாற்றி

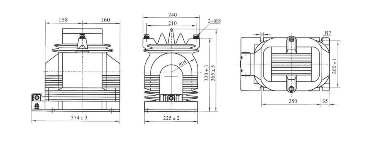
துணை மின்நிலையத்தில் நம்பகமான 13.8 kv ஒற்றை கட்ட திறன் மின்மாற்றியை உற்பத்தி செய்ய, Wenzhou XiFa Electric Power Equipment Co., Ltd, இழப்பின் மதிப்பைக் குறைக்கவும், துல்லிய வகுப்பை மேம்படுத்தவும் பிரீமியம் CRGO எலக்ட்ரிக்கல் ஸ்டீலை முக்கியப் பொருளாக ஏற்றுக்கொள்கிறது. எப்பொழுதும், துணைநிலையத்தில் உள்ள ஒவ்வொரு 13.8 kv ஒற்றை நிலை திறன் மின்மாற்றியும் எபோக்சி பிசின் வெற்றிட வார்ப்பு உற்பத்தி செயல்முறையை ஏற்றுக்கொள்கிறது, இது ஈரப்பதத்தை உறிஞ்சுவதற்கு எளிதானது அல்ல, இது வெப்பமான, ஈரப்பதமான மற்றும் தூசி நிறைந்த சூழலுக்கு ஏற்றது.

தயாரிப்பு அம்சங்கள்:

துணை மின்நிலையத்தில் உள்ள 13.8 Kv ஒற்றை நிலை திறன் மின்மாற்றி 13.8 kv இன் முதன்மை மின்னழுத்தத்தை 100 அல்லது 110 வோல்ட் போன்ற நிலையான இரண்டாம் நிலை மின்னழுத்தத்திற்கு குறைக்க வடிவமைக்கப்பட்டுள்ளது. குறைக்கப்பட்ட மின்னழுத்தம் கருவிகள் மற்றும் பாதுகாப்பு ரிலேக்களை அளவிடுவதற்கு இணையான முறுக்குகளுக்கு வழங்கப்படுகிறது, இது முதன்மை மின்னழுத்த அளவீடுகளை குறைந்த மின்னழுத்த கருவிகள் மூலம் மறைமுகமாக செய்ய உதவுகிறது. அத்தகைய அணுகுமுறை கருவி வடிவமைப்பை எளிதாக்குகிறது, செலவைச் சேமிக்கிறது மற்றும் உபகரணங்கள் மற்றும் இயக்கப் பணியாளர்களின் பாதுகாப்பை உறுதி செய்கிறது.


13.8 kv ஒற்றை கட்ட திறன் மின்மாற்றியின் செயல்பாட்டுக் கொள்கையானது மின் விநியோக மின்மாற்றியைப் போலவே உள்ளது, இதில் முதன்மை மற்றும் இரண்டாம் நிலை சுருள்களில் உள்ள திருப்பங்களின் எண்ணிக்கையால் உருமாற்ற விகிதம் தீர்மானிக்கப்படுகிறது. இரண்டாம் நிலை திருப்பங்களின் எண்ணிக்கையை அதிகரிப்பது விகிதத்தைக் குறைக்கிறது, அதே நேரத்தில் முதன்மை திருப்பங்களின் எண்ணிக்கையை அதிகரிப்பது அதை உயர்த்துகிறது. எந்த சூழ்நிலையிலும் 13.8 kv ஒற்றை கட்ட திறன் மின்மாற்றியின் இரண்டாம் நிலை மின்சுற்று செயல்பாட்டின் போது குறுகிய சுற்றுடன் இருக்கக்கூடாது என்பதை கவனத்தில் கொள்ள வேண்டும்.

13 8 Kv Single Phase Potential Transformer In Substation

தொழில்நுட்ப விவரக்குறிப்பு:

வகை மதிப்பிடப்பட்ட மின்னழுத்த விகிதம் (kV) துல்லிய வகுப்பு துல்லியம் வகுப்பு மற்றும் மதிப்பிடப்பட்ட வெளியீடு cosΦ=0.8 தி மேக்ஸ். வெளியீடு (VA)
0.2 0.5 1 6(பி)
JDZ11-15 (15/√3)/(0.1/√3)/(0.1/3) 0.2/6P 0.5/6P 1/6P 30 80 150 100 400
JDZ11-20 (20/√3)/(0.1/√3)/(0.1/3)
JDZ11-15 (15/√3)/(0.1/√3)/(0.1/√3)/(0.1/3) 0.2/0.2/6P 0.2/0.5/6P 15 20 N/A 100 2*200
JDZX11-20 (20/√3)/(0.1/√3)/(0.1/√3)/(0.1/3)

13 8 Kv Single Phase Potential Transformer In Substation

தயாரிப்பு FAQ:

கே: 13.8 kv ஒற்றை கட்ட திறன் மின்மாற்றி 13.8 kv ஆற்றல் மின்மாற்றியில் இருந்து எவ்வாறு வேறுபடுகிறது?

A: இரண்டும் மின்னழுத்தத்தை மாற்றும் சாதனங்கள் என்றாலும், 13.8 kv ஒற்றை கட்ட திறன் மின்மாற்றி மின் பரிமாற்றத்தை விட அளவீடு மற்றும் பாதுகாப்பிற்காக வடிவமைக்கப்பட்டுள்ளது. அதன் மதிப்பிடப்பட்ட சுமை ஒப்பீட்டளவில் சிறியது, பொதுவாக VA இல் வெளிப்படுத்தப்படுகிறது, அதேசமயம் சக்தி மின்மாற்றிகள் kVA அல்லது MVA இல் கணக்கிடப்படும் பெரிய மதிப்பில் சுமைகளைக் கையாளுகின்றன.


கே: 13.8 kv ஒற்றை கட்ட திறன் மின்மாற்றியில் என்ன காப்பு முறைகள் பயன்படுத்தப்படுகின்றன?

ப: பெரும்பாலானவைசாத்தியமான மின்மாற்றிகள்இந்த மின்னழுத்த அளவில் உட்புற சேவைக்கு எபோக்சி பிசின் காஸ்ட் இன்சுலேஷன் அல்லது வெளிப்புற நிறுவல்களுக்கு பீங்கான்/சிலிகான் வீடுகள் பயன்படுத்தப்படுகின்றன. சில வடிவமைப்புகள் நீட்டிக்கப்பட்ட சேவை வாழ்க்கை மற்றும் அதிக வெப்ப திறனை அடைய எண்ணெய் மூழ்கிய காப்பு பயன்படுத்துகிறது.


கே: துணை மின்நிலையத்தில் 13.8 கேவி சிங்கிள் பேஸ் பொடியன்ட் டிரான்ஸ்பார்மரை எவ்வாறு இணைக்க வேண்டும்?

A: கட்டத்திலிருந்து தரை அளவீட்டிற்கு, PT முதன்மையானது ஒரு கட்டத்திற்கும் தரைக்கும் இடையில் இணைக்கப்பட்டுள்ளது. மூன்று கட்ட அமைப்பில், ஒற்றை கட்ட PT களின் தொகுப்பு அல்லது மூன்று கட்ட PT அலகு வரிக்கு வரி மற்றும் வரிக்கு தரை மின்னழுத்தத்தை அளவிட பயன்படுகிறது.


கே: துணை மின்நிலையங்களில் 13.8 kV ஒற்றை கட்ட திறன் மின்மாற்றிகளில் என்ன சிக்கல்கள் ஏற்படலாம்?

A: பொதுவான பிரச்சனைகளில் இன்சுலேஷன் சிதைவு, சில மாறுதல் நிலைகளின் கீழ் ஃபெரோரெசோனன்ஸ், அதிக சுமை காரணமாக வெப்பமடைதல் மற்றும் ஆபத்தான உயர் மின்னழுத்தங்களை ஏற்படுத்தக்கூடிய இரண்டாம் நிலை சுற்று திறந்த நிலைகள் ஆகியவை அடங்கும்.



சூடான குறிச்சொற்கள்: துணை மின்நிலையத்தில் 13.8 Kv ஒற்றை நிலை சாத்தியமான மின்மாற்றி சப்ளையர், துணை மின்நிலைய சாத்தியமான மின்மாற்றி மொத்த விற்பனை
விசாரணையை அனுப்பு
தொடர்பு தகவல்
  • முகவரி

    எண். 391, ஜிங்கி சாலை, யான்பான் தொழில்துறை மண்டலம், யூகிங் நகரம், ஜெஜியாங் மாகாணம், சீனா

  • டெல்

    +86-577-62731111

  • மின்னஞ்சல்

    info@xifaele.com

உங்கள் மேற்கோளை விரைவில் பெற

XiFa-உங்கள் நம்பகமான மின் உபகரணங்கள் சப்ளையர்
செய்தி பரிந்துரைகள்
X
உங்களுக்கு சிறந்த உலாவல் அனுபவத்தை வழங்கவும், தள போக்குவரத்தை பகுப்பாய்வு செய்யவும் மற்றும் உள்ளடக்கத்தைத் தனிப்பயனாக்கவும் நாங்கள் குக்கீகளைப் பயன்படுத்துகிறோம். இந்தத் தளத்தைப் பயன்படுத்துவதன் மூலம், எங்கள் குக்கீகளைப் பயன்படுத்துவதை ஒப்புக்கொள்கிறீர்கள். தனியுரிமைக் கொள்கை
நிராகரிக்கவும் ஏற்றுக்கொள்