சாத்தியமான மின்மாற்றி PT
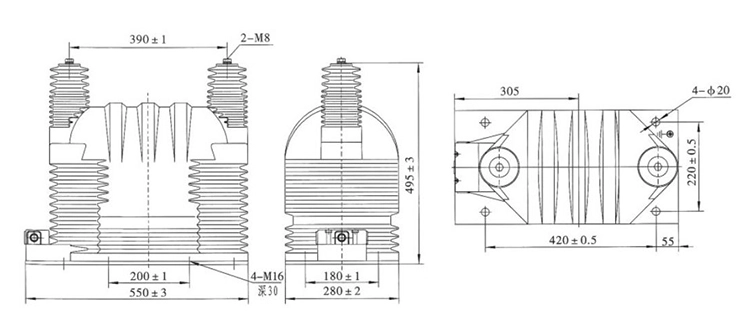
33kv உயர் மின்னழுத்த ஒற்றை நிலை சாத்தியமான மின்மாற்றி
  • 33kv உயர் மின்னழுத்த ஒற்றை நிலை சாத்தியமான மின்மாற்றி33kv உயர் மின்னழுத்த ஒற்றை நிலை சாத்தியமான மின்மாற்றி

33kv உயர் மின்னழுத்த ஒற்றை நிலை சாத்தியமான மின்மாற்றி

Wenzhou XiFa எலக்ட்ரிக் பவர் எக்யூப்மென்ட் கோ., லிமிடெட் என்பது 33kv உயர் மின்னழுத்த ஒற்றை கட்ட திறன் மின்மாற்றி மற்றும் தற்போதைய மின்மாற்றியை உற்பத்தி செய்யும் ஒரு அனுபவம் வாய்ந்த தயாரிப்பாகும். Wenzhou XiFa இன்சுலேஷனில் சிறந்த செயல்திறனை அடைய உயர்தர பிசினைப் பயன்படுத்துகிறது, அதாவது உயர் மின்னழுத்தத்தின் கீழ் முறிவு அல்லது பகுதியளவு வெளியேற்றம் இல்லாமல் நீண்ட கால செயல்பாடு. ஒவ்வொரு 33kv உயர் மின்னழுத்த ஒற்றை கட்ட திறன் மின்மாற்றியும் 20 அல்லது 30 ஆண்டுகள் நீண்ட சேவை வாழ்க்கையை அடைய வெற்றிட சூழ்நிலையில் எபோக்சி பிசினை அனுப்புவது அவசியம். டெலிவரிக்கு முன், பவர் அதிர்வெண் தாங்கும் மின்னழுத்தம், பகுதி வெளியேற்றம், காப்பு எதிர்ப்பு, துல்லியம், துருவமுனைப்பு மற்றும் வெப்பநிலை உயர்வு போன்ற அடிப்படை தொழில்நுட்ப விவரக்குறிப்புகள் அவசியம்.

தயாரிப்பு அம்சங்கள்:

1. கட்டமைப்புரீதியாக, ஒரு 33kv உயர் மின்னழுத்த ஒற்றை கட்ட திறன் மின்மாற்றி ஒரு சிறிய திறன் மற்றும் உயர் விகிதத்தில் படி கீழே மின்மாற்றி கருதப்படுகிறது. இருப்பினும், பவர் டிரான்ஸ்பார்மர் போலல்லாமல்,  ஏசாத்தியமான மின்மாற்றிசுமை விநியோகத்திற்கான ஆற்றலை மாற்றாது. மாறாக, அளவீடு மற்றும் பாதுகாப்பில் இது முக்கிய பங்கு வகிக்கிறது.

2. இரண்டாம் நிலை மின்சுற்று அளவீட்டு கருவிகள், பாதுகாப்பு ரிலேக்கள் மற்றும் தானியங்கி சாதனங்களுடன் இணைக்கப்பட்டுள்ளது, இதில் மின்னழுத்த சுருள்கள் மிக உயர்ந்த மற்றும் அடிப்படையில் நிலையான மின்மறுப்பை வழங்குகின்றன. இதன் விளைவாக, மின்மாற்றியின் சுமை இல்லாத நிலையைப் போலவே இரண்டாம் நிலை மின்னோட்டம் குறைவாக உள்ளது. 33kv உயர் மின்னழுத்த ஒற்றை கட்ட திறன் மின்மாற்றியின் மின் நுகர்வு மிகவும் குறைவாக உள்ளது, மேலும் இரண்டாம் நிலை மின்னழுத்தம் நடைமுறையில் தூண்டப்பட்ட EMF க்கு சமமாக உள்ளது, இது நிலையான முதன்மை மின்னழுத்தத்தால் தீர்மானிக்கப்படுகிறது. மின்னழுத்தத்தை அளவிடுவதற்கு தேவையான துல்லிய அளவை இது உறுதி செய்கிறது.

3. சாத்தியமான மின்மாற்றிகளின் இரண்டாம் நிலை முறுக்கு ஒருபோதும் குறுகிய சுற்றுடன் இருக்கக்கூடாது. சாதாரண செயல்பாட்டின் கீழ், 33kv உயர் மின்னழுத்த ஒற்றை கட்ட ஆற்றல் மின்மாற்றியின் சுமை உயர் மின்மறுப்பு சாதனமாகும், ஆனால் ஒரு குறுகிய சுற்று ஏற்பட்டால், முறுக்கு மின்மறுப்பு மட்டுமே கட்டுப்படுத்தும் காரணியாகும். இது அதிகப்படியான உயர் ஷார்ட் சர்க்யூட் மின்னோட்டத்திற்கு வழிவகுக்கும், தவறான மீட்டர் அளவீடுகள், தவறான ரிலே செயல்பாடுகள் அல்லது மின் மாற்றிக்கு நிரந்தர சேதம் ஏற்படலாம்.

4. இரண்டாம் நிலை முறுக்கு மற்றும் பூஜ்ஜிய வரிசை முறுக்கு இரண்டின் முனையமும் அடித்தளமாக இருக்க வேண்டும். தரையிறங்கவில்லை எனில், முதன்மை அமைப்பில் ஏற்படும் பிழையானது இந்த முறுக்குகளில் ஆபத்தான உயர் மின்னழுத்தங்களைத் தூண்டலாம், இது இணைக்கப்பட்ட கருவிகள், ரிலேக்கள் மற்றும் பணியாளர்களின் பாதுகாப்பிற்கு கடுமையான அபாயங்களை ஏற்படுத்துகிறது.

33kv High Voltage Single Phase Potential Transformer

தொழில்நுட்ப விவரக்குறிப்பு:

வகை மதிப்பிடப்பட்ட மின்னழுத்த விகிதம் (kV) துல்லிய வகுப்பு துல்லியம் வகுப்பு மற்றும் மதிப்பிடப்பட்ட வெளியீடு cosΦ=0.8 தி மேக்ஸ். வெளியீடு (VA)
0.2 0.5 1 3
JDZ9-35Q 35/0.1 0.2 0.5 1 3 30 120 240 600 1200
35/0.1/0.1 0.2/0.2(0.5) 30 30 N/A N/A 600
0.5/0.5 N/A 60

33kv High Voltage Single Phase Potential Transformer

தயாரிப்பு FAQ:

கே: 33kv உயர் மின்னழுத்த ஒற்றை கட்ட திறன் மின்மாற்றியின் மதிப்பிடப்பட்ட சுமை என்ன?

A: மதிப்பிடப்பட்ட சுமை பொதுவாக விண்ணப்பத்தைப் பொறுத்து 25 VA முதல் 200 VA வரை இருக்கும். மின்மாற்றியில் அதிக சுமை இல்லாமல் கருவிகள் மற்றும் பாதுகாப்பு ரிலேக்களை அளவிடுவதற்கான நிலையான துல்லியத்தை இது உறுதி செய்கிறது.


கே: 33kv உயர் மின்னழுத்த ஒற்றை கட்ட திறன் மின்மாற்றி எவ்வாறு அடித்தளமாக உள்ளது?

ப: இரண்டாம் நிலை முறுக்கு பொதுவாக ஒரு புள்ளியில் குறிப்பு திறனை பராமரிக்கவும் பாதுகாப்பை உறுதி செய்யவும் அடித்தளமாக இருக்கும். மிதக்கும் மின்னழுத்தங்களைத் தவிர்க்கவும், காப்புச் செயலிழப்பு அபாயத்தைக் குறைக்கவும் உதவுகிறது.


கே: மூன்று கட்ட அளவீட்டிற்கு ஒற்றை கட்ட PT ஐ இணைக்க முடியுமா?

ப: நிச்சயமாக. மூன்று கட்ட அமைப்பிற்கு, மூன்று ஒற்றை கட்ட PTகளை ஒரு நட்சத்திரம் அல்லது திறந்த டெல்டா ஏற்பாட்டில் இணைக்க முடியும், இது முழு கட்டத்திலிருந்து கட்டம் மற்றும் கட்டத்திலிருந்து தரை மின்னழுத்தங்களைக் கண்காணிக்க வேண்டுமா இல்லையா என்பதைப் பொறுத்தது.




சூடான குறிச்சொற்கள்: 33kv உயர் மின்னழுத்த ஒற்றை நிலை சாத்தியமான மின்மாற்றி சப்ளையர், உயர் மின்னழுத்த ஒற்றை நிலை மின்மாற்றி மொத்த விற்பனை, தொழில்துறை சாத்தியமான மின்மாற்றி உற்பத்தியாளர்
விசாரணையை அனுப்பு
தொடர்பு தகவல்
  • முகவரி

    எண். 391, ஜிங்கி சாலை, யான்பான் தொழில்துறை மண்டலம், யூகிங் நகரம், ஜெஜியாங் மாகாணம், சீனா

  • டெல்

    +86-577-62731111

  • மின்னஞ்சல்

    info@xifaele.com

உங்கள் மேற்கோளை விரைவில் பெற

XiFa-உங்கள் நம்பகமான மின் உபகரணங்கள் சப்ளையர்
செய்தி பரிந்துரைகள்
X
உங்களுக்கு சிறந்த உலாவல் அனுபவத்தை வழங்கவும், தள போக்குவரத்தை பகுப்பாய்வு செய்யவும் மற்றும் உள்ளடக்கத்தைத் தனிப்பயனாக்கவும் நாங்கள் குக்கீகளைப் பயன்படுத்துகிறோம். இந்தத் தளத்தைப் பயன்படுத்துவதன் மூலம், எங்கள் குக்கீகளைப் பயன்படுத்துவதை ஒப்புக்கொள்கிறீர்கள். தனியுரிமைக் கொள்கை
நிராகரிக்கவும் ஏற்றுக்கொள்