தற்போதைய மின்மாற்றி CT
காயம் வகை 5p10 5p20 Ct 100 150 400 5a
  • காயம் வகை 5p10 5p20 Ct 100 150 400 5aகாயம் வகை 5p10 5p20 Ct 100 150 400 5a

காயம் வகை 5p10 5p20 Ct 100 150 400 5a

உயர்தர சாத்தியமான மின்மாற்றிகள் மற்றும் தற்போதைய மின்மாற்றிகளை வழங்க, Wenzhou XiFa எலக்ட்ரிக் பவர் எக்யூப்மென்ட் கோ., லிமிடெட் வாடிக்கையாளர்களுக்கு தனிப்பயனாக்கப்பட்ட சேவையை ஆதரிக்கிறது. WenZhou XiFa எலக்ட்ரிக் இல், 100/5a 10p10 0.5 கரண்ட் டிரான்ஸ்பார்மர் போன்ற வழக்கமான மின்னோட்ட மின்மாற்றிக்கான சரக்குகளை உற்பத்தி செய்யும் குழு வேகமாக விநியோகிப்பதை உறுதி செய்கிறது. எவ்வாறாயினும், நிறுவனம் 5p10 அல்லது 5p20 பாதுகாப்பு வகுப்பைக் கொண்ட தற்போதைய மின்மாற்றி போன்ற பல்வேறு மின்சாரத் தேவைகளைப் பூர்த்தி செய்ய தனிப்பயனாக்கப்பட்ட சேவையை ஆதரிக்கிறது.

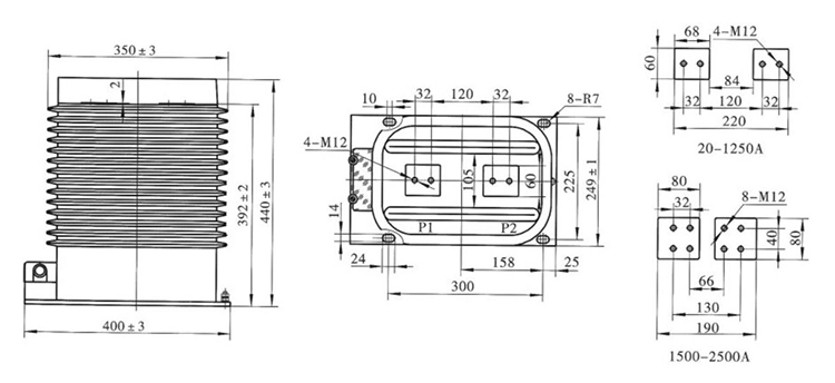
காயம் வகை தற்போதைய மின்மாற்றி நம்பகமான தற்போதைய அளவீடு மற்றும் 10kv 20kv மற்றும் 35kv போன்ற நடுத்தர மின்னழுத்த சக்தி அமைப்புகளில் பாதுகாப்புக்காக வடிவமைக்கப்பட்டுள்ளது. 100/5A, 150/5A, மற்றும் 400/5A தற்போதைய விகிதங்களில் கிடைக்கிறது, மேலும் 5P10 மற்றும் 5P20 பாதுகாப்பு துல்லிய வகுப்புகளுடன், இந்த காயம் வகை 5p10 5p20 ct 100 150 400 5a ஆனது துல்லியமான, இரண்டாம் நிலை மின்னோட்டத்தைப் பாதுகாக்கும், இரண்டாம் நிலை மின்னோட்டத்தைப் பாதுகாப்பதற்கும் பொருத்தமானது.

திடமான காந்த கோர்கள் மற்றும் இரண்டாம் நிலை சுருள்கள் மூலம் தயாரிக்கப்படும், காயம் வகை தற்போதைய மின்மாற்றி குறுகிய சுற்று நிலைகளில் நிலையான செயல்திறனை உறுதி செய்கிறது மற்றும் நிலையற்ற நிகழ்வுகளின் போதும் துல்லியமான மின்னோட்ட மாற்றத்தை வழங்குகிறது. அதன் வலுவான காப்பு அமைப்பு, பெரும்பாலும் எபோக்சி அல்லது உயர் தர பிசின் ஆகியவற்றை உள்ளடக்கியது, பாதுகாப்பு, நீண்ட சேவை வாழ்க்கை மற்றும் ஈரப்பதம் மற்றும் சுற்றுச்சூழல் அழுத்தத்திற்கு எதிர்ப்பை உறுதி செய்கிறது.

காயம் வகை வடிவமைப்பு, ரிலே பாதுகாப்பு திட்டங்களுக்கு நம்பகமான ஆதரவை வழங்க, சுவிட்ச் கியர், கண்ட்ரோல் பேனல்கள் மற்றும் விநியோக பலகைகளில் நெகிழ்வான நிறுவலை அனுமதிக்கிறது. காயம் வகை தற்போதைய மின்மாற்றி தொழில்துறை ஆலைகள், வணிக வசதிகள் மற்றும் பயன்பாட்டு விநியோக நெட்வொர்க்குகளுக்கு ஏற்றது, அங்கு துல்லியமான மற்றும் நம்பகமான தற்போதைய அளவீடு செயல்பாட்டு கண்காணிப்பு மற்றும் பாதுகாப்பு கட்டுப்பாடு ஆகிய இரண்டிற்கும் அவசியம்.

Wound Type 5p10 5p20 Ct 100 150 400 5a

தொழில்நுட்ப விவரக்குறிப்பு:

வகை முதன்மை மதிப்பிடப்பட்ட மின்னோட்டம் (A) துல்லிய வகுப்பு துல்லிய வகுப்பு மற்றும் மதிப்பிடப்பட்ட வெளியீடு cosΦ=0.8 ஷோரி-டைம் வெப்ப மின்னோட்டம் (kA/S) மதிப்பிடப்பட்ட டைனமிக் மின்னோட்டம் (kA)
0.2 (வி) 0.5 (வி) 10P10
LZZBJ9-35 20-100 0.2/0.2 0.2/0.5 0.2/5P20 0.5/5P20 0.2/0.5/5P 0.2/5P/5P 10 10 15 150I1n 375I1n
150-200 31.5 80
300-500 31.5/2 80
600-1250 15 30 20 31.5/4 80
1500-2000 20 40 30 40/4 125
2500 20 40 20 40/4 125


வகை முதன்மை மதிப்பிடப்பட்ட மின்னோட்டம் (A) துல்லிய வகுப்பு திறன் (VA) ஷோரி-டைம் வெப்ப மின்னோட்டம் (kA/S) மதிப்பிடப்பட்ட டைனமிக் மின்னோட்டம் (kA)
LZZBJ9-35 10 0.2/10P10 0.5/10P10 0.2/5P20 0.5/5P20 0.2/0.5/10P10 0.2/0.5/5P20 0.2/10P10/5P20 0.5/10P10/5P20 15/20 20/20 15/20 20/20 15/20/20 15/20/20 15/20/20 20/20/20 1.5/1 3.75
20 2/1 5
30 3/1 7.5
40 4/1 10
50 5/1 12.5
75 7.5/1 18.75
100 10/1 25
150 15/1 37.5
200 20/1 50
300 31.5/1 80
400 31.5/2 80
500 31.5/2 80
600 31.5/2 80
800 31.5/3 80
1000 31.5/3 80
1200 31.5/3 80
1500 31.5/3 80
2000 31.5/3 80

Wound Type 5p10 5p20 Ct 100 150 400 5a

தயாரிப்பு FAQ:

கே: காயம் வகை 5p10 5p20 ct 100 150 400 5a இல் "காயம்-வகை 5P10" அல்லது "5P20" என்றால் என்ன?

ப: "காயம்-வகை" என்பது CT களைக் குறிக்கிறது, அங்கு முதன்மை நடத்துனர் ஒரு பஸ்பார் அல்லது கோர் வழியாக முறுக்கு முறுக்கு காயம் ஆகும். வகுப்பு 5P10 அல்லது 5P20 என்பது பாதுகாப்புத் துல்லியத்தைக் குறிக்கிறது: 5P என்பது மதிப்பிடப்பட்ட இரண்டாம் நிலை மின்னோட்டத்தில் 5% வரையிலான பிழையைக் குறிக்கிறது, மேலும் 10 அல்லது 20 என்பது குறிப்பிடப்பட்ட பிழையைத் தாண்டாமல் மதிப்பிடப்பட்ட முதன்மை மின்னோட்டத்தின் அதிகபட்ச அனுமதிக்கப்பட்ட குறுகிய நேரப் பெருக்கமாகும்.

கே: எனது கணினிக்கான சரியான CT மதிப்பீட்டை எவ்வாறு தேர்வு செய்வது?

ப: உங்கள் கணினியின் அதிகபட்ச சுமை மின்னோட்டம் மற்றும் பாதுகாப்புத் தேவைகளின் அடிப்படையில் CTஐத் தேர்ந்தெடுக்கவும். எடுத்துக்காட்டாக, 100/5A CT ஆனது 100 A சுற்றி வழக்கமான மின்னோட்டங்களைக் கொண்ட சுற்றுகளுக்கு ஏற்றது, அதே நேரத்தில் 400/5A அதிக மின்னோட்ட ஊட்டிகளுக்காக வடிவமைக்கப்பட்டுள்ளது. ரிலேயின் தவறு கண்டறிதல் உணர்திறன் மற்றும் எதிர்பார்க்கப்படும் ஷார்ட் சர்க்யூட் மின்னோட்டத்தின் படி பாதுகாப்பு வகுப்பை (5P10 அல்லது 5P20) தேர்வு செய்யவும்.

கே: 5p10 5p20 ct 100 150 400 5a கைப்பிடியை எந்த சுற்றுச்சூழல் நிலைமைகள் காயப்படுத்தலாம்?

A: இந்த காயம் வகை மின்னோட்ட மின்மாற்றிகள் பொதுவாக -10 °C முதல் +40 °C வரையிலான சுற்றுப்புற வெப்பநிலைக்கு மதிப்பிடப்படுகின்றன, அதிகபட்ச உயரம் 1000 மீ. தொழில்துறை மற்றும் பயன்பாட்டு அமைப்புகளில் நம்பகமான பாதுகாப்பு செயல்திறனை உறுதி செய்வதற்காக, வீட்டு பொருட்கள் மற்றும் காப்பு அமைப்புகள் ஈரப்பதம், தூசி மற்றும் மாசுபாட்டை எதிர்க்கும் செயல்பாட்டிற்காக வடிவமைக்கப்பட்டுள்ளன.




சூடான குறிச்சொற்கள்: காயம் வகை 5p10 5p20 Ct 100 150 400 5a, தற்போதைய மின்மாற்றி சப்ளையர், அளவீட்டு மின்மாற்றிகள் மொத்த விற்பனை
விசாரணையை அனுப்பு
தொடர்பு தகவல்
  • முகவரி

    எண். 391, ஜிங்கி சாலை, யான்பான் தொழில்துறை மண்டலம், யூகிங் நகரம், ஜெஜியாங் மாகாணம், சீனா

  • டெல்

    +86-577-62731111

  • மின்னஞ்சல்

    info@xifaele.com

உங்கள் மேற்கோளை விரைவில் பெற

XiFa-உங்கள் நம்பகமான மின் உபகரணங்கள் சப்ளையர்
X
உங்களுக்கு சிறந்த உலாவல் அனுபவத்தை வழங்கவும், தள போக்குவரத்தை பகுப்பாய்வு செய்யவும் மற்றும் உள்ளடக்கத்தைத் தனிப்பயனாக்கவும் நாங்கள் குக்கீகளைப் பயன்படுத்துகிறோம். இந்தத் தளத்தைப் பயன்படுத்துவதன் மூலம், எங்கள் குக்கீகளைப் பயன்படுத்துவதை ஒப்புக்கொள்கிறீர்கள். தனியுரிமைக் கொள்கை
நிராகரிக்கவும் ஏற்றுக்கொள்